fbpx

Ваш код клиента: 868646

Кабинет дилера

Планка П-образная - Кривой Рог

Назначение:
Область применения:

При монтаже  ограждающих конструкций

RAL 5005
Цвет

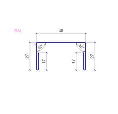
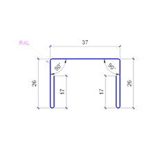
Специальная декоративная планка, применяется при монтаже ограждающих конструкций. П-образная планка надевается на верхний срез профилированного листа чтобы защитить от атмосферных осадков и последующей коррозии.   

 

Планка П-образная Тип1 full p tape8 10 planka p
Планка П-образная Тип2 full p tape8 10 full  cherteg p tape8 10
Планка П-образная Тип3 full p tape14 15 full  cherteg p tape14 15
Планка П-образная Тип4 full p tape18 full  cherteg p tape18
Планка П-образная Тип5 full p tape21 full  cherteg p tape21
Планка П-образная Тип6 full p tape33 full  cherteg p tape33
Планка П-образная Тип7 full p tape44 full  cherteg p tape44
Планка П-образная Тип8 full p tape58 full  cherteg p tape58
Планка П-образная Тип9 full p tape75 full  cherteg p tape75

Информация

Специальная декоративная планка, применяется при монтаже ограждающих конструкций. П-образная планка надевается на верхний срез профилированного листа чтобы защитить от атмосферных осадков и последующей коррозии.   

Ассортимент

 

Планка П-образная Тип1 full p tape8 10 planka p
Планка П-образная Тип2 full p tape8 10 full  cherteg p tape8 10
Планка П-образная Тип3 full p tape14 15 full  cherteg p tape14 15
Планка П-образная Тип4 full p tape18 full  cherteg p tape18
Планка П-образная Тип5 full p tape21 full  cherteg p tape21
Планка П-образная Тип6 full p tape33 full  cherteg p tape33
Планка П-образная Тип7 full p tape44 full  cherteg p tape44
Планка П-образная Тип8 full p tape58 full  cherteg p tape58
Планка П-образная Тип9 full p tape75 full  cherteg p tape75
Цена: 0.00 EUR